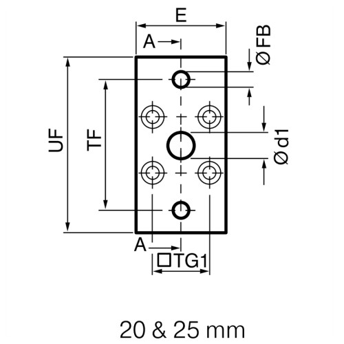
Flansa de fixare tip MF1 / MF2 pentru montaj pe capac fata sau capac spate cilindru pneumatic compact ISO 21287, seria P1P

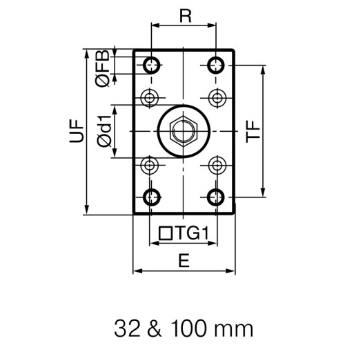
| Cod | Diametru piston mm | Ød1 mm | ØFB mm | TG1 mm | E mm | R mm | MF mm | TF mm | UF mm | I1 mm | W mm | ZF mm | ZB mm | Stoc | Cerere oferta |
|---|---|---|---|---|---|---|---|---|---|---|---|---|---|---|---|
| P1P-4HMB | Ø20 | 12 | 6,6 | 22 | 36 | - | 10 | 55 | 70 | 43 | 53 | 53 |
|
Adauga | |
| P1P-4JMB | Ø25 | 12 | 6,6 | 26 | 40 | - | 10 | 60 | 76 | 45 | 55 | 55 |
|
Adauga | |
| P1C-4KMB | Ø32 | 30 | 7 | 32,5 | 45 | 32 | 10 | 64 | 80 | 16 | 130 | 123,5 |
|
Adauga | |
| P1C-4LMB | Ø40 | 35 | 9 | 38 | 52 | 36 | 10 | 72 | 90 | 20 | 145 | 138,5 |
|
Adauga | |
| P1C-4MMB | Ø50 | 40 | 9 | 46,5 | 65 | 45 | 12 | 90 | 110 | 25 | 155 | 146,5 |
|
Adauga | |
| P1C-4NMB | Ø63 | 45 | 9 | 56,5 | 75 | 50 | 12 | 100 | 120 | 25 | 170 | 161,5 |
|
Adauga | |
| P1C-4PMB | Ø80 | 45 | 12 | 72 | 95 | 63 | 16 | 126 | 150 | 30 | 190 | 177,5 |
|
Adauga | |
| P1C-4QMB | Ø100 | 55 | 14 | 89 | 115 | 75 | 16 | 150 | 170 | 35 | 205 | 192,5 |
|
Adauga |