 
                         
                         
                             
                            Pistol de suflat cu corp din alama nichelata, actionare cu parghie si accesoriu de suflat din otel tratat.
- Conformitate : ROHS
- Presiune maxima de lucru : 10 bar
- Temperatura minima de lucru : -15 ⁰C
- Temperatura maxima de lucru : 50 ⁰C
- Corp : alama nichelata
- Duza : otel zincat
- Parghie actionare : otel tratat
- Garnituri : NBR (cauciuc)
- Catalog pistoale de suflat : Deschide
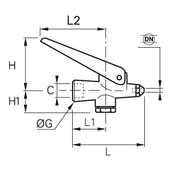
| Cod | C | ØG mm | H min mm | H max mm | H1 mm | L2 mm | L mm | L1 mm | DN mm | Stoc | Cerere oferta | 
|---|---|---|---|---|---|---|---|---|---|---|---|
| 0623 10 35 | G1/4 | 18 | 19 | 37 | 21 | 60 | 64 | 28 | 2 |  | Adauga | 
 
                 
                     
 
                 
                 
                 
                 
                         
                        