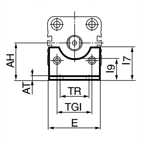
Elemente de prindere tip MS1 in forma de L (talpa de fixare) pentru montaj pe capac fata si capac spate cilindru pneumatic compact ISO 21287, seria P1P

| Cod | Diametru piston mm | ØAB mm | AH mm | AO mm | AT mm | AU mm | E mm | L7 mm | SA mm | TG mm | TR mm | Stoc | Cerere oferta |
|---|---|---|---|---|---|---|---|---|---|---|---|---|---|
| P1P-4HMF | Ø20 | 6,6 | 27 | 6 | 4 | 16 | 36 | 22 | 69 | 22 | 26 |
|
Adauga |
| P1P-4J MF | Ø25 | 6,6 | 30 | 6 | 4 | 16 | 40 | 23 | 71 | 26 | 26 |
|
Adauga |
| P1C-4KMF | Ø32 | 7 | 32 | 11/8 | 4 | 24 | 45 | 30 | 92 | 32,5 | 32 |
|
Adauga |
| P1C-4LMF | Ø40 | 10 | 36 | 8/10 | 4 | 28 | 52 | 30 | 101 | 38 | 36 |
|
Adauga |
| P1C-4MMF | Ø50 | 10 | 45 | 15/10 | 5 | 32 | 65 | 36 | 109 | 46,5 | 45 |
|
Adauga |
| P1C-4NMF | Ø63 | 10 | 50 | 13/10 | 5 | 32 | 75 | 35 | 113 | 56,5 | 50 |
|
Adauga |
| P1C-4PMF | Ø80 | 12 | 63 | 14/10 | 6 | 41 | 95 | 49 | 136 | 72 | 63 |
|
Adauga |
| P1C-4QMF | Ø100 | 14,5 | 71 | 16/15 | 6 | 41 | 115 | 54 | 149 | 89 | 75 |
|
Adauga |